近日,国家发展改革委、国家能源局发布关于印发《以沙漠、戈壁、荒漠地区为重点的大型风电光伏基地规划布局方案》的通知。
根据方案计划以库布齐、乌兰布和、腾格里、巴丹吉林沙漠为重点,以其他沙漠和戈壁地区为补充,综合考虑采煤沉陷区,规划建设大型风电光伏基地。
到2030年,规划建设风光基地总装机约4.55亿千瓦,其中库布齐、乌兰布和、腾格里、巴丹吉林沙漠基地规划装机2.84亿千瓦,采煤沉陷区规划装机0.37亿千瓦,其他沙漠和戈壁地区规划装机1.34亿千瓦。
其中,"十四五"时期规划建设风光基地总装机约2亿千瓦,包括外送1.5亿千瓦、本地自用0.5亿千瓦;“十五五"时期规划建设风光基地总装机约2.55亿千瓦,包括外送1.65亿千瓦、本地自用0.9亿千瓦。
通知指出,原则上布局方案中的风电光伏基地项目不再拆分,鼓励按千万千瓦级组织建设。要推荐明确风电光伏基地项目建设运营主体,原则上每个风电光伏基地项目由1家有实力的企业作为投资主体或牵头组建单一联合体。统筹风电光伏基地、煤电配套电源、外送通道项目等一体协同推进,落实项目建设宏观选址等基本方案,提出先易后难、分批实施的相关考虑,鼓励开展煤电与风电光伏企业实质性联营。
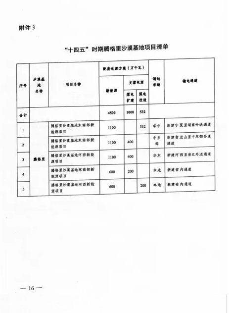
通知要求,按照本布局方案抓紧编制库布齐沙漠、乌兰布和沙漠、腾格里沙漠、巴丹吉林沙漠、采煤沉陷区等“十四五"时期基地项目实施方案,报发改委、能源局审批。
此前2021年11月24日,国家能源局、国家发改委印发《第一批以沙漠、戈壁、荒漠地区为重点的大型风电、光伏基地建设项目清单的通知》,涉及19省份,规模总计97.05GW。






